HP 3000 Manuals

SET Charts [ HP Transact Reference Manual ] MPE/iX 5.0 Documentation


HP Transact Reference Manual

SET Charts 

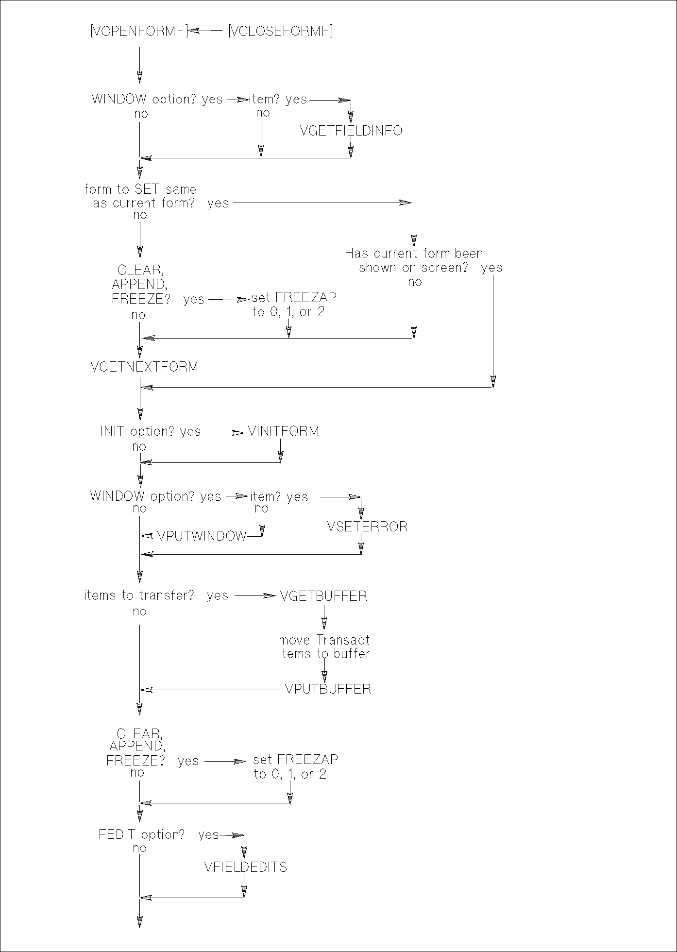
Execution of a SET(FORM) verb for a VPLUS form results in the flowchart
on the next page:

[]


MPE/iX 5.0 Documentation