HP 3000 Manuals

REPLACE Charts [ HP Transact Reference Manual ] MPE/iX 5.0 Documentation


HP Transact Reference Manual

REPLACE Charts 

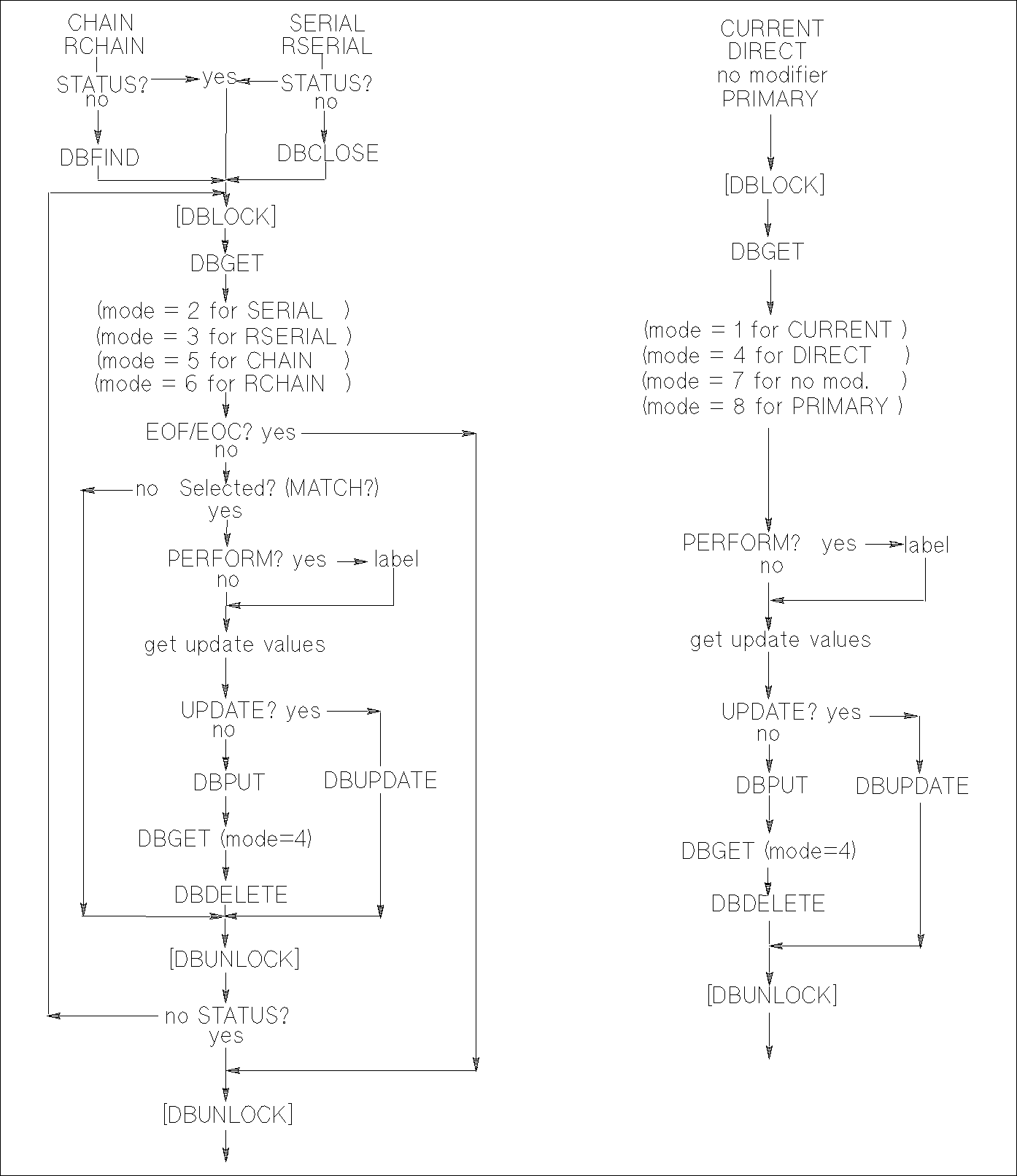
Execution of the REPLACE verb for a TurboIMAGE data set access results in
the following:

[]
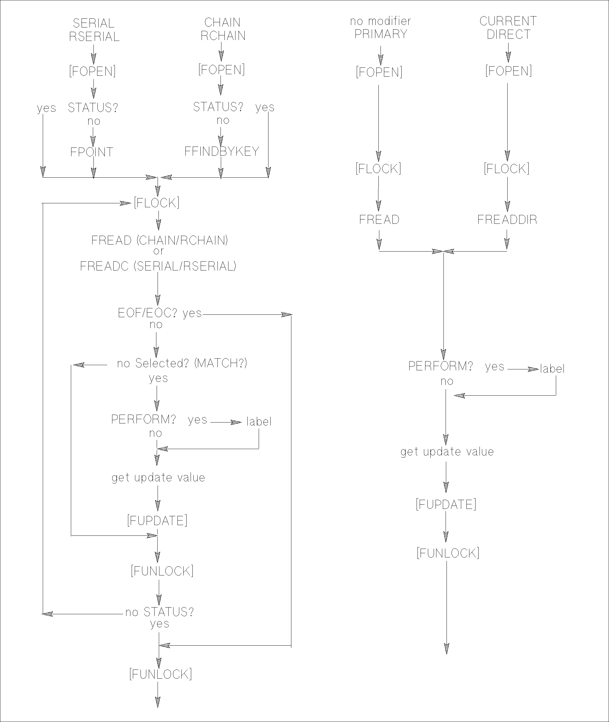
Execution of a REPLACE verb for a KSAM file results in the following:
[]
Execution of a REPLACE verb for an MPE file results in the following:
[]


MPE/iX 5.0 Documentation